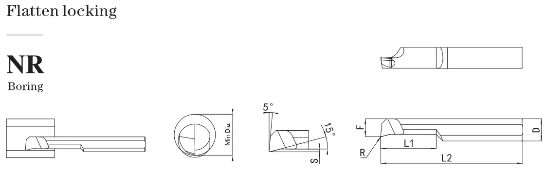
NR型フラットロックボーリングツール
$0.00
説明












CNC旋盤加工用精密小径工具
当社の切削工具は、CNC旋盤での精密小内径加工に理想的なソリューションです。耐ステンレス鋼タングステン鋼シャンクで設計され、卓越した強度と優れた振動減衰性を兼ね備えているため、ステンレス鋼などの難削材に最適です。
刃先は、ツールノーズ半径がブレードエッジにシームレスに溶け込むよう、独自の製造工程で作られています。この設計により、切削中の力の均一な分散が促進され、集中的な発熱点がなくなり、正確な寸法出力が保証され、工具寿命が大幅に延びます。高度な刃先処理(マイクロジオメトリー)および研磨工程と相まって、この工具は被削材の優れた仕上げ面を実現し、切削抵抗を低減し、ビルドアップエッジの形成を最小限に抑えます。
当社の製品レンジには、多様な加工要件に対応するため、様々なモデルを備えた複数のシリーズがあります。最もデリケートな小径加工アプリケーションのためのソリューションを提供し、極小内径にも対応します。また、研究開発からアフターサービスに至る包括的なプロセスに支えられ、信頼性の高い供給を保証する膨大な在庫に裏打ちされた加工ソリューション設計も提供しています。私たちは、CNC業界向けに信頼性が高く効率的な小径加工ソリューションを提供し、加工精度と生産性の向上に努めています。
カスタマイズされた非標準ツールは、わずか5個という低い最小注文数量でご利用いただけます。非標準ツールのリードタイムは、ケースバイケースで決定されます。すべての工具は、例外なく、工場を出荷する前に、製造および最終品質管理プロセスを通じて厳格な複数の検査を受けており、一貫した性能と信頼性を保証しています。
主な特徴
先進の素材:高い強度と安定性を誇る防振タングステン鋼シャンク。
最適化された形状:独自のエッジデザインにより、力と熱を均一に分散し、精度と寿命を向上。
優れた仕上げ:高度な刃先処理と研磨により、切削力を低減し、刃先の盛り上がりを防止。
幅広いラインナップ:様々な小口径加工のニーズに対応する包括的なセレクション。
フルサポート:技術相談からアフターサービスまで、大規模な在庫に支えられたエンドツーエンドのサービス。
カスタマイズ:標準以外のツールは5個から。
品質保証:厳しい多段階検査により、すべての工具の品質を保証します。





