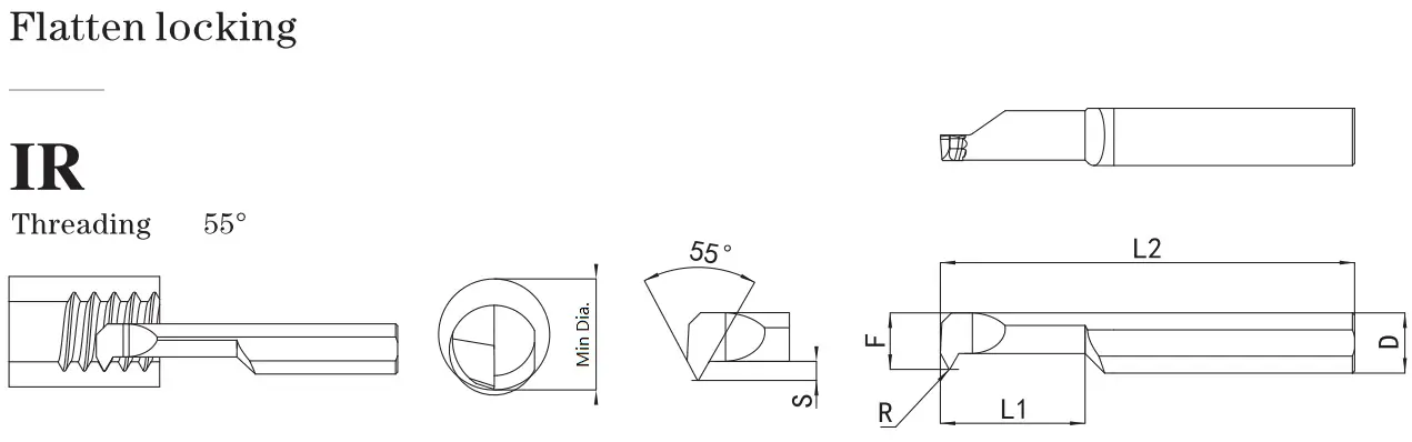
Herramienta de mandrinar con bloqueo para aplanar tipo IR derecha 55°.
$0.00
Descripción












Herramientas de precisión de pequeño diámetro para el mecanizado en tornos CNC
Nuestras herramientas de corte son la solución ideal para el mecanizado de precisión de diámetros interiores pequeños en tornos CNC. Diseñadas con un mango de acero de tungsteno resistente al acero inoxidable, combinan una fuerza excepcional con una amortiguación de vibraciones superior, lo que las hace perfectamente adecuadas para materiales difíciles como el acero inoxidable y otras aleaciones difíciles de mecanizar.
El filo de corte se elabora mediante un proceso de fabricación exclusivo que garantiza que el radio de la punta de la herramienta se integre perfectamente en el filo de la hoja. Este diseño favorece la distribución uniforme de la fuerza durante el corte, elimina los puntos de calor concentrado, garantiza un resultado dimensional preciso y prolonga considerablemente la vida útil de la herramienta. Junto con un proceso avanzado de preparación del filo (microgeometría) y pulido, la herramienta consigue un acabado superficial superior en la pieza de trabajo, reduce la resistencia al corte y minimiza la formación de filo acumulado.
Nuestra gama de productos incluye múltiples series con varios modelos para adaptarse a los diversos requisitos de mecanizado. Ofrecemos soluciones para las aplicaciones de mecanizado de agujeros pequeños más delicadas, con capacidad para diámetros interiores extremadamente mínimos. Respaldados por un proceso integral que abarca desde la I+D hasta el servicio posventa, y con el apoyo de un amplio inventario que garantiza un suministro fiable, también ofrecemos diseño de soluciones de mecanizado. Nos comprometemos a ofrecer soluciones de mecanizado de pequeño diámetro fiables y eficientes para la industria CNC, mejorando tanto la precisión como la productividad del mecanizado.
Las herramientas personalizadas no estándar están disponibles con un pedido mínimo de sólo 5 unidades. Los plazos de entrega de las herramientas no estándar se determinan caso por caso. Todas y cada una de las herramientas, sin excepción, se someten a rigurosas inspecciones múltiples a lo largo del proceso de producción y control de calidad final antes de salir de nuestra fábrica, lo que garantiza un rendimiento y una fiabilidad constantes.
Características principales:
Material avanzado: Vástago de acero de tungsteno antivibración de alta resistencia y estabilidad.
Geometría optimizada: Diseño único de los bordes para una distribución uniforme de la fuerza y el calor, mejorando la precisión y la longevidad.
Acabado superior: La preparación avanzada del filo y el pulido reducen la fuerza de corte y evitan la acumulación de filo.
Amplia gama: Amplia selección para diversas necesidades de mecanizado de agujeros pequeños.
Asistencia completa: Servicio integral, desde la consulta técnica hasta la posventa, respaldado por un inventario a gran escala.
Personalización: Herramientas no estándar disponibles a partir de 5 piezas.
Garantía de calidad: Una rigurosa inspección en varias fases garantiza la calidad de cada herramienta.





